เครื่องฉีดพลาสติกความแม่นยำสูง
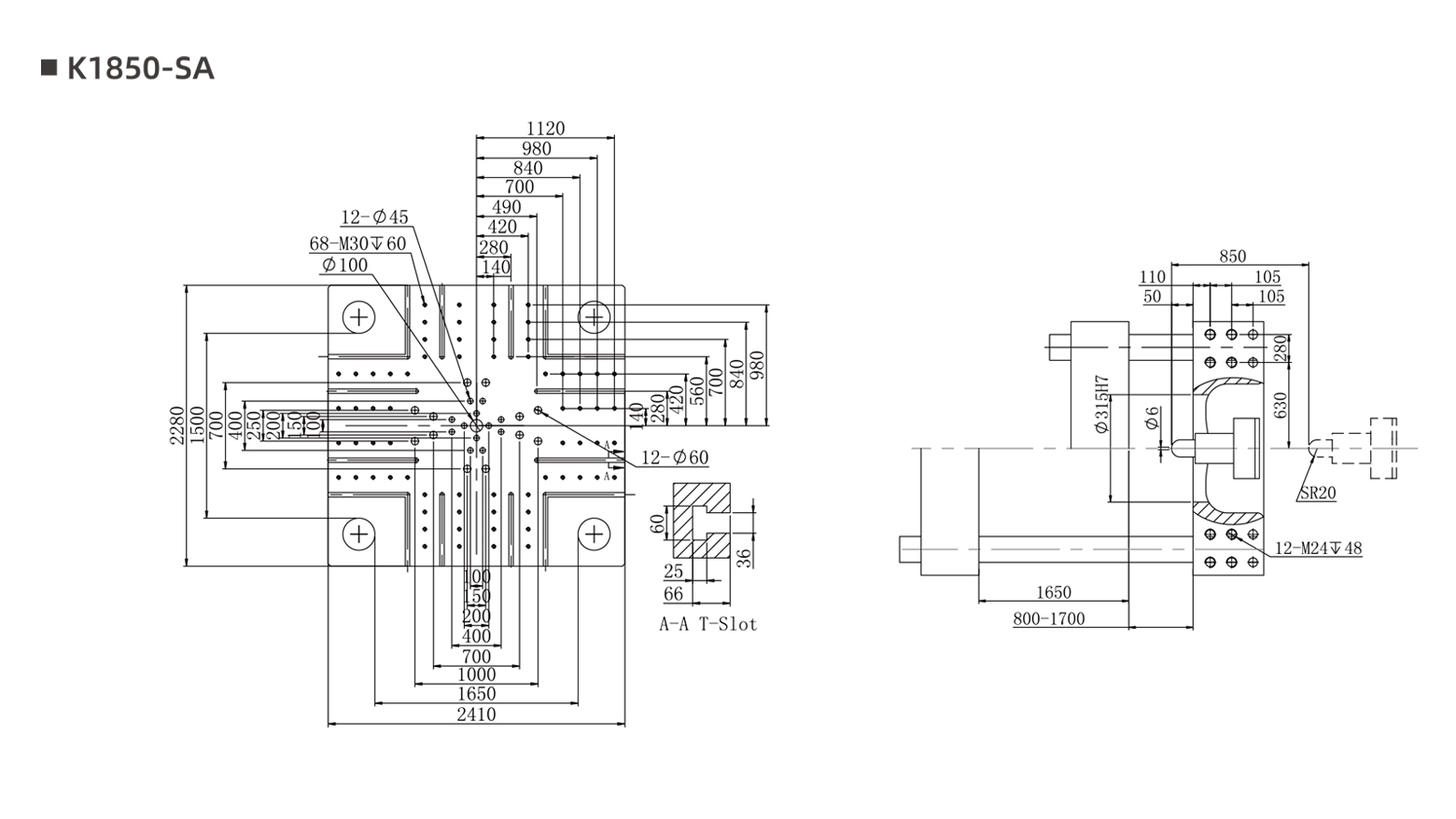
K1850-SA
PREV PRODUCT:No previous article
NEXT PRODUCT:K1500-SA
| คำอธิบาย | หน่วย | K1850-Sก | ||||
| ระดับขนาดสากล | 22000 | |||||
| A | บี | ค | ดี | |||
| หน่วยฉีด | เส้นผ่านศูนย์กลางของสกรู | มม | 140 | 150 | 160 | 170 |
| อัตราส่วนสกรู ล:D | 23.6 | 22 | 20.6 | 19.4 | ||
| ปริมาณการยิง | ซม.3 | 11545 | 13254 | 15080 | 17024 | |
| น้ำหนักการยิง (PS) | ก | 10506 | 12061 | 13723 | 15492 | |
| ออนซ์ | 370.6 | 425.4 | 484.1 | 546.5 | ||
| แรงดันในการฉีด | บาร์ | 1913 | 1666 | 1464 | 1297 | |
| อัตราการฉีด | cm3/วินาที | 1525 | 1751 | 1992 | 2249 | |
| ความจุพลาสติก | กรัม/วินาที | 191 | 225 | 241 | 258 | |
| ความเร็วสูงสุดของสกรู | รอบ/นาที | 111 | ||||
| หน่วยหนีบ | แรงหนีบ | กิโลนิวตัน | 18500 | |||
| ช่องว่างระหว่างแถบผูก | มม | 1650x1500 | ||||
| ขนาดแท่น | มม | 2410x2280 | ||||
| จังหวะการเปิด | มม | 1650 | ||||
| ความสูงขั้นต่ำ mdd | มม | 800 | ||||
| ความสูงของแม่พิมพ์สูงสุด | มม | 1700 | ||||
| ระยะห่างระหว่างแท่นวาง (กลางวัน) | มม | 3350 | ||||
| จังหวะอีเจ็คเตอร์ | มม | 400 | ||||
| แรงดีดตัวออก | กิโลนิวตัน | 430 | ||||
| จำนวนเครื่องเป่า | 25 | |||||
| หน่วยพลังงาน | ความดันระบบ | บาร์ | 175 | |||
| มอเตอร์ปั๊ม | กิโลวัตต์ | 42 54 54 54 | ||||
| ความจุความร้อน | กิโลวัตต์ | 100 | ||||
| ทั่วไป | ความจุถังน้ำมัน | L | 1500 | |||
| ขนาดเครื่อง (ยาวxกว้างxสูง) | ม*ม*ม | 15.6x4.6x5.2 | ||||
| น้ำหนักเครื่อง | ที | 130 | ||||
| ความจุถัง | กก. | 400 | ||||
| เลขที่ | การกำหนดค่าส่วนประกอบ | ยี่ห้อ | สถานที่กำเนิด | ขอบเขตการกำหนดค่า |
| 1 | ตัวควบคุม | ไต้หวัน Techmation (AK628) เครื่องกัดอะลูมิเนียมขนาด 8 นิ้ว | ไต้หวัน | K110-230 |
| 2 | ตัวควบคุม | ไต้หวัน Techmation(TECH1)เครื่องกัดอะลูมิเนียมขนาด 8 นิ้ว | ไต้หวัน | K270-460 |
| 3 | ตัวควบคุม | ไต้หวัน Techmation(TECH2)งานกัดอะลูมิเนียมขนาด 12 นิ้ว | ไต้หวัน | K530-800 |
| 4 | ปั๊มน้ำมันเซอร์โว | สหรัฐอเมริกาไฮเทค | สหรัฐอเมริกา | ครบวงจร |
| 5 | เซอร์โวมอเตอร์ | เฟส | อิตาลี | ครบวงจร |
| 6 | เซอร์โวไดรฟ์ | เฟส | อิตาลี | ครบวงจร |
| 7 | ชุดเซอร์โว | เยอรมนี เร็กซ์รอธ | เยอรมนี | ไม่จำเป็น |
| 8 | วาล์วถอยหลัง | ญี่ปุ่น ยูเค็น | Taiwan | ครบวงจร |
| 9 | วาล์วถอยหลัง | วิคเกอร์สหรัฐอเมริกา | สหรัฐอเมริกา | ไม่จำเป็น |
| 10 | มอเตอร์พลาสติกเบื้องต้น | ดันดัน | จีน | ครบวงจร |
| 11 | มอเตอร์ปรับแม่พิมพ์ | ดันดัน | จีน | ครบวงจร |
| 12 | องค์ประกอบการปิดผนึก | ยูคาลไลท์ | สหราชอาณาจักร | ครบวงจร |
| 13 | ระบบหล่อลื่น | เฮิร์ก | จีน | ครบวงจร |
| 14 | เบรกเกอร์ | ชไนเดอร์ อิเล็คทริค | ฝรั่งเศส | ครบวงจร |
| 15 | สวิตช์อากาศ | ชไนเดอร์ อิเล็คทริค | ฝรั่งเศส | ครบวงจร |
| 16 | ไม้บรรทัดอิเล็กทรอนิกส์ | บอนนี่ | สหรัฐอเมริกา | ครบวงจร |
| 17 | ไม้บรรทัดอิเล็กทรอนิกส์ | โนโวเทค | เยอรมนี | ไม่จำเป็น |
| 18 | โซลิดสเตตรีเลย์ | โฟเทค | Taiwan | ครบวงจร |
| 19 | สวิตช์การเดินทาง | ชไนเดอร์ อิเล็คทริค | ฝรั่งเศส | ครบวงจร |
| 20 | สวิตช์ความใกล้ชิด | โฟเทค | Taiwan | ครบวงจร |
| 21 | กระบอกสกรู | ตองดา | จีน | ครบวงจร |
โรงงานที่มีมาตรฐานสูง
Ningbo KSM เครื่องจักรการผลิต Co.,Ltd. เป็นความร่วมมือกับเทคโนโลยีของอิตาลีที่เชี่ยวชาญด้านพลาสติกคุณภาพสูงในการผลิตเครื่องฉีดพลาสติกคุณภาพสูง บริษัทของเราตั้งอยู่ในสวนอุตสาหกรรม Ningbo Beilun Xing Ao เรามีบุคลากรด้าน R&D จำนวนมากและร่วมมือกับกลุ่มองค์กรที่มีเทคโนโลยีสูง ด้วยความเป็นมืออาชีพ จีน K1850-SA-เครื่องฉีดพลาสติกความแม่นยำสูง ซัพพลายเออร์ และ OEM/ODM K1850-SA-เครื่องฉีดพลาสติกความแม่นยำสูง บริษัทโดยส่วนใหญ่ผลิตเครื่องฉีดขึ้นรูปที่มีความแม่นยำสูงโดยมีแรงจับยึดตั้งแต่ 110T ถึง 1850T ผลิตภัณฑ์มีโครงสร้างที่มีความแข็งแกร่งสูงและมีอุปกรณ์ไฮดรอลิกและไฟฟ้านำเข้า ใช้สกรูพร้อมหัวผสมเพื่อให้มีประสิทธิภาพการขึ้นรูปที่ดีเยี่ยม และเหมาะสำหรับการฉีดขึ้นรูปพลาสติกวิศวกรรมต่างๆ และมีคำสั่งพิเศษของผู้ใช้ นับตั้งแต่ก่อตั้งบริษัท ได้ให้ความสนใจกับชื่อเสียงขององค์กรมาโดยตลอด ดำเนินการทางวิทยาศาสตร์ การจัดการด้วยการออกแบบที่สมเหตุสมผล ขึ้นอยู่กับคุณภาพก่อนการขาย การขาย และบริการหลังการขายเพื่อให้ได้รับความไว้วางใจและการอนุมัติจากผู้ใช้จำนวนมาก เราปฏิบัติตามคำขวัญที่ว่า "ซื่อสัตย์ พัฒนาต่อไป เน้นที่คุณภาพ ไม่เคยผ่อนคลายในความพยายาม" ยินดีต้อนรับเพื่อน ๆ จากทุกท่านมาขอคำแนะนำ บริษัทมีศูนย์วิจัยและพัฒนาที่มีจุดแข็งในการพัฒนา ในเวลาเดียวกัน ร่วมมือกับมหาวิทยาลัยและวิทยาลัยในประเทศเพื่อพัฒนาและวิจัยอุปกรณ์ฉีดและการผลิตพลาสติก และเครื่องฉีดพลาสติก บริษัทมีอุปกรณ์ทดสอบท่อและอุปกรณ์ทดลองที่ทันสมัย ในช่วงไม่กี่ปีที่ผ่านมา ศูนย์ R&D ประสบความสำเร็จมากมายในด้านเครื่องฉีดขึ้นรูปและอุปกรณ์พลาสติก กระบวนการวัลคาไนซ์ยาง และการพัฒนาสูตร ขอแสดงความนับถือเชิญลูกค้าทั้งในและต่างประเทศเข้าเยี่ยมชมโรงงานของเรา และหวังว่าจะได้บริษัทระยะยาวของคุณเพื่อสร้างวันพรุ่งนี้ที่สวยงามสำหรับคุณ!
ทำไมถึงเลือกพวกเรา
เรามีห้องปฏิบัติการทดสอบและอุปกรณ์ตรวจสอบที่ทันสมัยและครบถ้วน ซึ่งสามารถรับประกันคุณภาพของผลิตภัณฑ์ที่ผลิตโดยอุปกรณ์ของเรา
กำลังการผลิตประจำปีของเรามีมากกว่า 500 ชุดเครื่องฉีดพลาสติก
เรามุ่งเน้นการพัฒนาผลิตภัณฑ์คุณภาพสูงสำหรับตลาดระดับบน ผลิตภัณฑ์ของเราสอดคล้องกับมาตรฐานสากล และส่วนใหญ่จะถูกส่งออกไปยังยุโรป อเมริกา ญี่ปุ่น และจุดหมายปลายทางอื่นๆ ทั่วโลก
เราอยู่ห่างจากท่าเรือ Ningbo เพียง 15 กิโลเมตร สะดวกและมีประสิทธิภาพในการขนส่งสินค้าไปยังประเทศอื่น ๆ
รับประกันคุณภาพสูงด้วยความเชี่ยวชาญของเรา
คุณภาพที่เชื่อถือได้อย่างแท้จริงมีความโดดเด่นและไม่เกรงกลัวการเปรียบเทียบ
ให้ข่าวสารล่าสุดเกี่ยวกับองค์กรและอุตสาหกรรมแก่คุณ
1. แนวคิดพื้นฐานของแม่พิมพ์หลายช่อง แม่พิมพ์หลายช่องหมายถึงการติดตั้งหลายช่องบนแม่พิมพ์เดียวกั...
1. ประสิทธิภาพการใช้พลังงานของเครื่องฉีดพลาสติก PET เครื่องฉีดพลาสติก PET มักใช้ในการผลิ...
เนื่องจากเป็นอุปกรณ์สำคัญในการผลิตทางอุตสาหกรรมสมัยใหม่ระบบอัตโนมัติของ เครื่องฉีดพลาสติก PET...
ในกระบวนการฉีดขึ้นรูป ระบบควบคุมอุณหภูมิของแม่พิมพ์มีบทบาทสำคัญ อุณหภูมิของแม่พิมพ์ส่งผลโดยตรงต่อ...
เครื่องฉีดพลาสติก มีบทบาทสำคัญในอุตสาหกรรมสมัยใหม่ พวกเขาสามารถผลิตผลิตภัณฑ์พลาสติกหลากหลาย...
ในการผลิตสมัยใหม่ แม่พิมพ์ถือเป็นองค์ประกอบที่ขาดไม่ได้และเป็นส่วนประกอบสำคัญของกระบวนการฉีดขึ้นร...